产品介绍
该阀门具有密封性能可靠、启闭力矩小、具有抗硫耐磨、使用寿命长、可通毛球清扫管线等特点;适用水、石油、天然气、蒸汽等非腐蚀性和腐蚀性介质的管路系统中作启闭装置,特别适用于石化、油、气、长输管线等领域。
产品用途:
适用于 Class150~900/PN1.0~16.0MPa,工作温度 -29~121℃ 的石油、天然气、水、油品等管路上,用于截断或接通管路中的介质
产品特点:
1、阀座采用O形密封圈密封和施加预紧力的浮动阀座结构,使平板闸阀进出口双向密封;并且该结构的启闭力矩仅为普通阀门的1/2,能达到轻松开、关阀门 2、在全开时,通道平滑为直线,流阻系数极小,无压力损失,可通毛球清扫管线 3、采用带自密封能力的填料结构,无需经常调节,开、关极为轻便,且密封性可靠,填料函处设有辅助密封油脂注入结构,密封性能绝对可靠,真正达到零泄漏;解决了通用阀门填料处最容易外漏的弊病 4、平板闸阀关闭时能自动卸掉内腔高压,保证使用安全 5、全封闭结构,防护性能好,可适应全天候要求
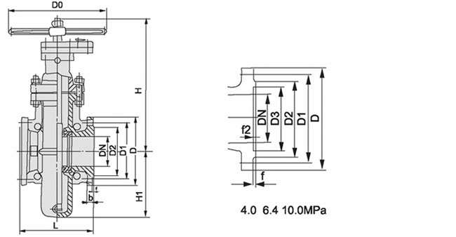
产品结构图:

|