
产品特点: 自动保压液控缓闭止回蝶阀,是目前用于水轮机进口处的关键控制设备,具有良好的密封、调节性能,该阀是本公司近年研制开发的新产品,通过对多种国内外同类产品进行认真考察与研究,创造了独具特色的以三偏心为基本结构型式的液控蝶阀,经实地应用,操作系统运行良好,本蝶阀除了具有三偏心结构优点外还具备以下明显优势与特色。 自动保压液控缓闭止回蝶阀,保压液控缓闭止回蝶阀,止回蝶阀。 1、本阀的驱动系统为中同压两级驱动装置,该装置体积小而蝶阀启闭速度的调控范围大,初开启段为高压小流量控制,使蝶阀开启瞬间状态平缓,无剧烈波动,完全消除系统内的水锤隐患,然后将切入较快的转动角速度,液压缸将以设定的理想推力与速度将蝶板平稳打开。 2、本蝶阀的安装位置通常为横向卧式,蝶板偏离位置的合理摆放可使蝶板充分利用管道内的动水力矩驱动蝶板的顺利关闭,本阀的安装位置将体现动水力矩与重锤力矩的共同作用效果,随着关闭转角的逐步完成,动水力矩将趋于减小,重锤力矩将使关闭瞬间变的缓慢而平稳,从而严格杜绝了水锤现象的发生,零泄漏的密封效果将在这一合理严密的控制系统中得以可靠实现。 3、本阀的电液控制系统具有远程控制功能,蝶板任意速度的开启与关闭以及任意位置的锁定均可通过设计合理的各类液压控制阀轻松实现。 4、本阀配有手动油泵,在系统因故而断电时仍可正常关闭或打开蝶阀
性能:
| 型号 |
公称压力(MPa) |
实验压(MPa) |
适用温度(℃) |
适用介质 |
| 壳体实验 |
密封试验 |
| KD741H-6C |
0.6 |
0.9 |
0.66 |
≤65 |
水 |
| KD741H-10C |
1.0 |
1.5 |
1.1 |
| 项目 |
公称通径 |
| DN≤1000 |
DN≥1400 |
| 开阀时间 (S) |
10~60可调 |
15~60可调 |
| 关阀时间(S) |
快关 |
1.2~25可调 |
2~30可调 |
| 慢关 |
2~60可调 |
4~60可调 |
| 关阀角度(°) |
快关 |
60°±10° |
| 慢关 |
25°±10° |
主要零件材料:
| 名称型号 |
阀体 |
蝶板 |
蝶板密封圈 |
阀杆 |
阀座 |
填料 |
|
DX7K41H-6/10 Z |
灰铸铁 |
球墨铸铁 |
******橡胶 |
铬不锈钢 |
铜合金 |
O型橡胶圈 |
|
DX7K41H-6/10 C |
碳 钢 |
碳 钢 |
不锈钢 |
铬不锈钢 |
不锈钢 |
柔性石墨 |
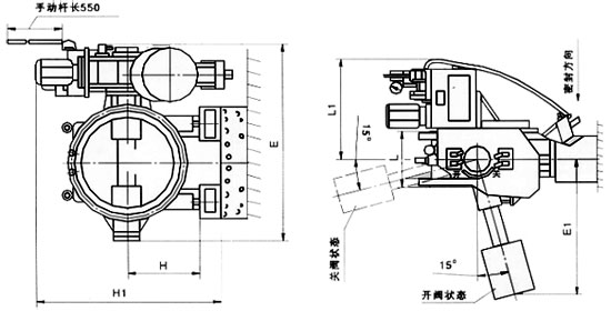
主要外形尺寸及重量:
| 公称通径(mm) |
主要外形尺寸(mm) |
重量(kg) |
| L |
L1 |
E |
E1 |
H |
H1 |
| 500 |
350 |
800 |
1442 |
920 |
420 |
1100 |
1500 |
| 600 |
390 |
800 |
1634 |
1200 |
440 |
1500 |
1800 |
| 700 |
430 |
800 |
1728 |
1200 |
500 |
1200 |
2000 |
| 800 |
470 |
800 |
2000 |
1200 |
510 |
1210 |
2500 |
| 900 |
510 |
800 |
2130 |
1200 |
570 |
1270 |
3000 |
| 1000 |
550 |
800 |
2410 |
1300 |
620 |
1620 |
3000 |
| 1200 |
630 |
800 |
2600 |
1355 |
710 |
1710 |
4200 |
| 1400 |
710 |
800 |
2825 |
1355 |
820 |
1820 |
4900 |
| 1600 |
790 |
890 |
3141 |
1355 |
920 |
1920 |
5900 |
| 1800 |
870 |
890 |
3423 |
1760 |
1035 |
2035 |
6300 |
| 2000 |
950 |
890 |
3623 |
1860 |
1150 |
2140 |
6170 | |