
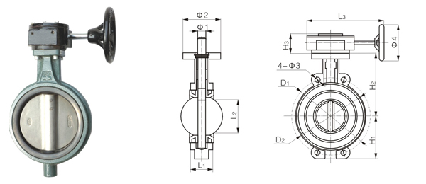
主要外形连接尺寸:
| 公称通径 |
尺寸 (mm) |
| H1 |
H2 |
D1 |
D2 |
A |
B |
L1 |
L2 |
φ 1 |
φ 2 |
φ 3 |
| 65 |
76 |
143 |
145 |
109 |
28 |
170 |
46 |
47 |
126 |
70 |
26.5 |
| 80 |
89 |
155 |
160 |
124 |
28 |
170 |
46 |
65 |
126 |
70 |
18 |
| 100 |
104 |
170 |
185 |
153 |
33 |
260 |
52 |
91 |
15 8 |
90 |
24.5 |
| 125 |
118 |
190 |
215 |
185 |
33 |
260 |
56 |
112 |
19 |
90 |
23 |
| 150 |
132 |
210 |
238 |
206 |
33 |
260 |
56 |
146 |
19 |
90 |
25 |
注:1、以上蝶阀的密封试验压力DN50~800为1.1MPa;DN900~1000为0.66MPa;DN1200~1600为0.27MPa。 2、如工作压力超过1.6MPa建议选用三偏心蝶阀。 3、以上蝶阀的连接尺寸均按1.0MPa标准制造,如阀板衬橡胶等特殊需要,订货时请注明。 4、地下管网或蝶阀,订货时应注明。
蝶阀不同开启度Cv值:
| 公称通径 |
尺寸 |
| H1 |
H2 |
H3 |
D1 |
D2 |
L1 |
L2 |
L3 |
φ1 |
φ2 |
φ3 |
φ4 |
| 50 |
70 |
130 |
68 |
120 120 |
95 |
43 |
32 |
245 |
126 |
70 |
23 23 |
152 |
| 65 |
76 |
143 |
68 |
145 145 |
109 |
46 |
47 |
245 |
126 |
70 |
26.5 26.5 |
152 |
| 80 |
89 |
155 |
68 |
160 160 |
124 |
46 |
65 |
245 |
126 |
70 |
18 18 |
152 |
| 100 |
104 |
170 |
68 |
185 185 |
153 |
52 |
91 |
245 |
15.8 |
90 |
26.5 26.5 |
152 |
| 125 |
118 |
190 |
68 |
215 215 |
179 |
56 |
112 |
245 |
19 |
90 |
23 23 |
152 |
| 150 |
132 |
210 |
68 |
238 238 |
206 |
56 |
146 |
245 |
19 |
90 |
25 25 |
152 |
| 200 |
167 |
243 |
85 |
295 295 |
264 |
60 |
194 |
400 |
22.1 |
115 |
25 25 |
300 |
| 250 |
198 |
282 |
85 |
357 357 |
316 |
68 |
242 |
400 |
285 |
115 |
29 29 |
300 |
| 300 |
239 |
310 |
102 |
407 407 |
373 |
68 |
292 |
400 |
31.7 |
140 |
29 29 |
305 |
| 350 |
267 |
368 |
102 |
467 467 |
436 |
78 |
325 |
400 |
31.7 |
140 |
30 30 |
305 |
| 400 |
309 |
400 |
121 |
515 525 |
488 |
102 |
380 |
431 |
33.15 |
197 |
26 30 |
290 |
| 450 |
328 |
422 |
121 |
565 585 |
539 |
114 |
428 |
431 |
38 |
197 |
26 30 |
290 |
| 500 |
361 |
480 |
125 |
620 650 |
593 |
127 |
474 |
488 |
41.15 |
197 |
26 33 |
300 |
| 600 |
459 |
562 |
150 |
725 770 |
816 |
154 |
573 |
488 |
50.65 |
276 |
30 36 |
300 |
| 700 |
530 |
770 |
158 |
840 895 |
800 |
165 |
692 |
620 |
50.65 |
276 |
30 36 |
300 |
| 800 |
600 |
835 |
163 |
950 1015 |
905 |
190 |
780 |
620 |
56.82 |
276 |
30 36 |
300 |
| 900 |
660 |
910 |
172 |
1050 1115 |
1005 |
203 |
950 |
620 |
56.82 |
276 |
30 36 |
300 |
| 1000 |
740 |
998 |
187 |
1160 1230 |
1110 |
216 |
1150 |
620 |
62.33 |
276 |
30 36 |
300 |
| 1200 |
880 |
1113 |
196 |
1380 1455 |
1330 |
254 |
1820 |
620 |
62.33 |
276 |
30 36 |
300 |
注:1、以上蝶阀的密封试验压力DN50~800为1.1MPa;DN900~1000为0.66MPa;DN1200~1600为0.27MPa。 2、如工作压力超过1.6MPa建议选用三偏心蝶阀。 3、以上蝶阀的连接尺寸均按1.0MPa标准制造,如阀板衬橡胶等特殊需要,订货时请注明。 4、地下管网或蝶阀,订货时应注明。 |