产品概述
产品名称:国标正齿轮闸阀 产品型号:Z441H
应用规范:
1.设计制造: GB/T 12234-89 2.结构长度:GBlT12221-89 3.法兰连接尺寸:GBlT 9113-2000,也可按用户要求采用JBlT74-94或HG20592-97标准生产。 4.阀体材料: WCB. ZGICr5Mo、ZG12CrMoV CF8、CF8M. CF3、CF3M
产品应用范围:安装水、汽管道上,作启闭装置用。
正齿轮闸阀安装须知:
1. 阀门安装时必须垂直安装在水平管道上,介质可以从任何一侧进入。管道冲洗干净后,可案卷阀门。 2. 此阀在使用时,应全开或全关,不能作调节阀使用
主要特点:
1. 设计符合国内外先进标准的要求密封可靠,性能优良造型美观。 2. 闸板、阀座密封面采用铁基合金或司太立(Stellite)钻基硬质合金堆焊而成具有耐磨损、耐高温、耐腐蚀、抗擦伤性能好,使用寿命长。 3.中大口径设置滚动轴承开关灵活,启闭轻松。 4.阀杆严格进行调质和表面氮化处理,有良好的抗腐蚀性、抗擦伤和耐磨损性能。 5.可采用各种法兰连接标准及法兰密封面型式,满足各种工程需要及用户要求。 6.阀体材料品种齐全填料、垫片可根据实际情况或用户要求合理选配能适用于各种压力、温度及介质工况。
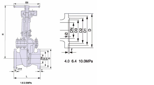
产品结构图:

外形与连接尺寸:

|