产品概述
产品名称:国标伞齿轮闸阀 产品型号:Z541H
应用规范:
1.设计制造: GB/T 12234-89 2.结构长度:GBlT12221-89 3.法兰连接尺寸:GBlT 9113-2000,也可按用户要求采用JBlT74-94或HG20592-97标准生产。 4.阀体材料: WCB. ZGICr5Mo、ZG12CrMoV CF8、CF8M. CF3、CF3M
产品应用范围:安装水、汽管道上,作启闭装置用。
伞齿轮闸阀具有以下优点: 1、流体阻力小 , 密封面受介质的忡刷和侵蚀小。 2、开闭较省力。 3、介质流向不受限制 , 不扰流、不降低压力。 4、形体简单 , 结构长度短,制造工艺性好,适用范围广。
伞齿轮闸阀安装须知:
1. 阀门安装时必须垂直安装在水平管道上,介质可以从任何一侧进入。管道冲洗干净后,可案卷阀门。 2. 此阀在使用时,应全开或全关,不能作调节阀使用
PS.闸阀的优点:
(1) 流体阻力小 因为闸阀阀体内部介质通道是直通的,介质流经闸阀时不改变其流动方向,所以流体阻力小。 (2) 启闭力矩小,开闭较省力 因为闸阀启闭时闸板运动方向与介质流动方向相垂直、与截止阀相比,闸阀的启闭较省力。 (3)介质流动方向不受限制,不扰流、不降低压力介质可从闸阀两侧任意方向流过、均能达到使用的目的.更适用于介质的流动方向可能改变的管路中。 (4) 结构长度较短 因为闸阀的闸板是垂直置于阀体内的,而截止阀阀瓣是水平置于阀体内的,因而结构长度比截止阀短。 (5) 密封性能好 全开时密封面受冲蚀较小。 (6) 全开时,密封面受工作介质的冲蚀比截止阀小。 (7) 体形比较简单,铸造工艺性较好,适用范围广。
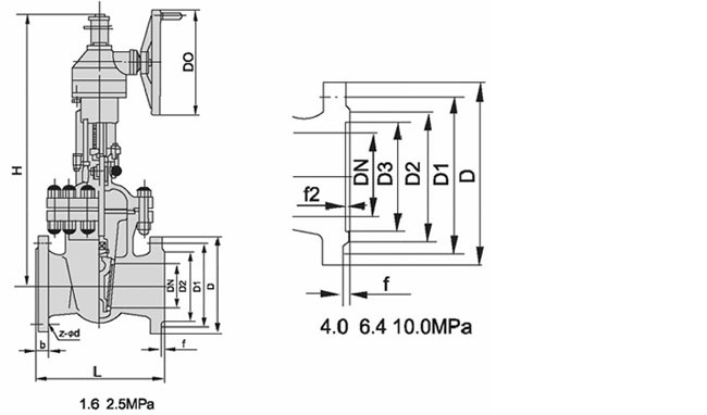
产品结构图:

外形与连接尺寸:

|