产品概述 设计制造 : JB/T8691-1998 结构长度: GB/T15188.2-94 法兰连接: GB/T9113.1-2000 JB/T79-94 试验与验收:GB/T13927-92

主要零部件材质
| 阀体、上盖 |
碳钢、不锈钢 |
| 阀板 |
不锈钢 |
| 阀杆 |
不锈钢 |
| 密封圈 |
橡胶、四氟、不锈钢、硬质合金 |
主要性能规范
| 公称压力 |
PN |
| 壳体试验 |
1.5XPN |
| 密封试验 |
1.1XPN |
| 工作温度 |
橡胶≤80℃ 四氟密封≤180℃ 硬密封≤425℃ |
| 适用介质 |
糖浆、纸浆、污水、煤浆、灰、渣水混合物 |
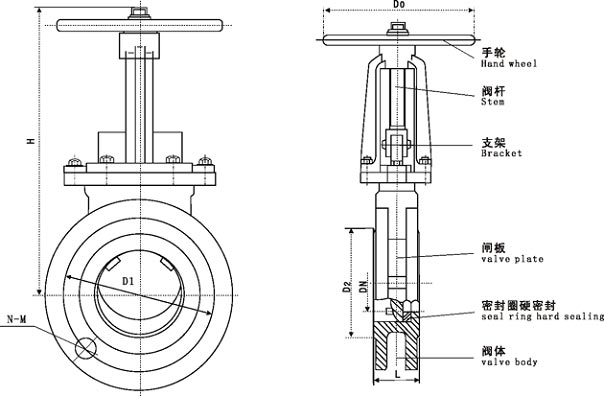
主要外形及连接尺寸单位 Unit:mm
| 公称压力(MPa) |
公称通径(mm) |
L |
D |
D1 |
D2 |
H |
N-M |
D0 |
| 1.0 |
50 |
48 |
160 |
125 |
100 |
285 |
4-M16 |
180 |
| 65 |
48 |
180 |
145 |
120 |
298 |
4-M16 |
180 |
| 80 |
50 |
195 |
160 |
135 |
315 |
4-M16 |
220 |
| 100 |
50 |
215 |
180 |
155 |
365 |
8-M16 |
220 |
| 125 |
57 |
245 |
210 |
185 |
400 |
8-M16 |
230 |
| 150 |
57 |
280 |
240 |
210 |
475 |
8-M20 |
280 |
| 200 |
70 |
335 |
295 |
265 |
540 |
8-M20 |
360 |
| 250 |
70 |
390 |
350 |
320 |
630 |
12-M20 |
360 |
| 300 |
76 |
440 |
400 |
368 |
780 |
12-M20 |
400 |
| 350 |
76 |
500 |
460 |
429 |
885 |
16-M20 |
400 |
| 400 |
89 |
565 |
515 |
482 |
990 |
16-M22 |
400 |
| 450 |
89 |
615 |
565 |
532 |
1100 |
20-M22 |
530 |
| 500 |
114 |
670 |
620 |
585 |
1200 |
20-M22 |
530 |
| 600 |
114 |
780 |
725 |
685 |
1450 |
20-M27 |
600 |
| 700 |
130 |
895 |
940 |
800 |
1700 |
24-M27 |
600 |
| 800 |
130 |
1010 |
950 |
905 |
2000 |
24-M30 |
680 |
| 900 |
140 |
1110 |
1050 |
1005 |
2300 |
28-M30 |
680 | |