
产品特点
1、本阀采用双偏心结构,具有越关越紧的密封功能,密封性能可靠。 2、密封副材料选用不锈钢和******耐油橡胶配对,使用寿命长。 3、橡胶密封圈即可位于阀体上,也可以位于蝶板上,可适用不同特点的介质,供用户选择。 4、蝶板采用框架结构,强度高,过流面积大,流阻小。 5、整体烤漆、能有效地防止锈蚀且只要更换密封阀座密封材料,就可使用于不同介质。 6、本阀具有双向密封功能,安装时不受介质流向的控制,也不受空间位置的影响,可在任何方向安装。 7、本阀结构独特,操作灵活,省力,方便。
| 公称通经DN(mm) |
50~2000 |
50~1600 |
| 公称药理PN(MPa) |
0.6 |
1.0 |
1.6 |
| 密封试验(MPa) |
0.66 |
1.1 |
1.76 |
| 强度试验(MPa) |
0.9 |
1.5 |
2.4 |
| 适用温度 |
******橡胶:-40℃~90℃氟橡胶:-20℃~200℃ |
| 适用介质 |
水、空气、天然气、油品及弱腐蚀性流体 |
| 泄漏率 |
符合GB/T13927-92标准 |
| 驱动方式 |
蜗轮传动、电动、气动、液动 |
主要零部件材料
| 零件名称 |
材料 |
| 阀体 |
WCB、QT450-10、HT200、HT250 |
| 蝶板 |
WCB、QT450-10、HT200、HT250 |
| 阀轴 |
2Cr13 |
| 密封圈 |
******耐油橡胶 |
| 填料 |
柔性石墨 |
执行标准
| 制造标准 |
GB/T 122387-89 |
| 法兰标准 |
GB9113-2000、GB17241.6-1998 |
| 结构长度标准 |
GB12221-89 |
| 检验标准 |
GB/T 13927-92 |
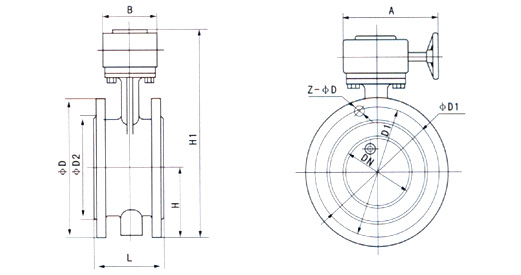
主要外形连接尺寸 单位:mm
| DN |
主要外形连接尺寸 |
法兰尺寸和螺栓孔尺寸 |
| L |
H |
H1 |
A |
B |
0.6MPa |
1.0MPa |
1.6MPa |
| D |
D1 |
D2 |
n-d |
D |
D1 |
D2 |
n-d |
D |
D1 |
D2 |
n-d |
| 50 |
108 |
82.5 |
306 |
80 |
80 |
140 |
110 |
88 |
4-14 |
185 |
125 |
99 |
4-18 |
165 |
125 |
99 |
4-18 |
| 65 |
112 |
92.5 |
321 |
80 |
80 |
160 |
130 |
108 |
4-14 |
185 |
145 |
118 |
4-18 |
185 |
145 |
118 |
4-18 |
| 80 |
114 |
100 |
346 |
80 |
80 |
190 |
150 |
124 |
4-18 |
200 |
160 |
132 |
8-18 |
200 |
160 |
132 |
8-18 |
| 100 |
127 |
110 |
387 |
95 |
95 |
210 |
170 |
144 |
4-18 |
220 |
180 |
156 |
8-18 |
220 |
180 |
156 |
8-18 |
| 125 |
140 |
125 |
411 |
95 |
95 |
240 |
20 |
174 |
8-18 |
250 |
210 |
184 |
8-18 |
250 |
210 |
184 |
8-18 |
| 150 |
140 |
142.5 |
447 |
95 |
95 |
265 |
225 |
199 |
8-18 |
285 |
240 |
211 |
8-22 |
285 |
240 |
211 |
8-22 |
| 200 |
152 |
170 |
607 |
190 |
308 |
320 |
280 |
254 |
8-18 |
340 |
295 |
266 |
8-22 |
340 |
295 |
266 |
12-22 |
| 250 |
165 |
192.5 |
688 |
190 |
308 |
375 |
335 |
309 |
12-18 |
395 |
350 |
319 |
12-22 |
405 |
355 |
319 |
12-26 |
| 300 |
178 |
222.5 |
742 |
190 |
308 |
440 |
395 |
363 |
12-22 |
445 |
400 |
370 |
12-22 |
460 |
410 |
370 |
12-26 |
| 350 |
190 |
252.5 |
797 |
190 |
308 |
490 |
445 |
413 |
12-22 |
505 |
460 |
429 |
16-22 |
520 |
470 |
429 |
16-26 |
| 400 |
216 |
282.5 |
930 |
270 |
466 |
540 |
495 |
463 |
16-22 |
565 |
515 |
480 |
16-26 |
580 |
525 |
480 |
16-30 |
| 450 |
222 |
307.5 |
975 |
270 |
466 |
595 |
550 |
518 |
16-22 |
615 |
565 |
530 |
20-26 |
640 |
585 |
548 |
20-30 |
| 500 |
229 |
335 |
1065 |
270 |
466 |
645 |
600 |
568 |
20-22 |
670 |
620 |
582 |
20-26 |
715 |
650 |
609 |
20-33 |
| 600 |
267 |
390 |
1225 |
457 |
625 |
755 |
705 |
667 |
20-26 |
780 |
725 |
682 |
20-30 |
840 |
770 |
720 |
20-36 |
| 700 |
292 |
447.5 |
1343 |
457 |
625 |
860 |
810 |
772 |
24-26 |
895 |
840 |
794 |
24-30 |
910 |
840 |
794 |
24-36 |
| 800 |
318 |
507.5 |
1436 |
457 |
625 |
975 |
920 |
878 |
24-30 |
1015 |
950 |
901 |
24-33 |
1025 |
950 |
901 |
24-39 |
| 900 |
330 |
557.5 |
1616 |
598 |
853 |
1075 |
1020 |
978 |
24-30 |
1115 |
1050 |
1001 |
28-33 |
1125 |
1050 |
1001 |
28-39 |
| 1000 |
410 |
615 |
1711 |
598 |
853 |
1175 |
1120 |
1078 |
28-30 |
1230 |
1160 |
1112 |
28-36 |
1255 |
1170 |
1112 |
28-42 |
| 1200 |
470 |
727.5 |
1971 |
598 |
853 |
1405 |
1340 |
1295 |
32-33 |
1455 |
1380 |
1328 |
32-39 |
1485 |
1390 |
1328 |
32-48 |
| 1400 |
530 |
837.5 |
2218 |
860 |
1345 |
1630 |
1560 |
1510 |
36-36 |
1675 |
1590 |
1530 |
36-42 |
1685 |
1590 |
1530 |
36-48 |
| 1600 |
600 |
957.5 |
2578 |
860 |
1345 |
1830 |
1760 |
1710 |
40-36 |
1915 |
1820 |
1750 |
40-48 |
1930 |
1820 |
1750 |
40-56 |
| 1800 |
670 |
1057.5 |
2689 |
860 |
1345 |
2045 |
1970 |
1918 |
44-39 |
2115 |
2020 |
1950 |
44-48 |
2130 |
2020 |
1950 |
44-56 |
| 2000 |
760 |
1162.5 |
3022 |
952 |
1592 |
2265 |
2180 |
2125 |
48-42 |
2325 |
2230 |
2150 |
48-48 |
2345 |
2230 |
2150 |
48-62 |
声明:本文中所有文字、数据、图片均只适用于参考。 |