
产品特点
1、本阀采用双偏心结构,具有越关越紧的密封功能,密封性能可靠。 2、密封副材料选用不锈钢和******耐油橡胶配对,使用寿命长。 3、橡胶密封圈即可位于阀体上,也可以位于蝶板上,可适用不同特点的介质,供用户选择。 4、蝶板采用框架结构,强度高,过流面积大,流阻小。 5、整体烤漆、能有效地防止锈蚀且只要更换密封阀座密封材料,就可使用于不同介质。 6、本阀具有双向密封功能,安装时不受介质流向的控制,也不受空间位置的影响,可在任何方向安装。 7、本阀结构独特,操作灵活,省力,方便。
| 公称通经DN(mm) |
50~2000 |
50~1600 |
| 公称药理PN(MPa) |
0.6 |
1.0 |
1.6 |
| 密封试验(MPa) |
0.66 |
1.1 |
1.76 |
| 强度试验(MPa) |
0.9 |
1.5 |
2.4 |
| 适用温度 |
******橡胶:-40℃~90℃氟橡胶:-20℃~200℃ |
| 适用介质 |
水、空气、天然气、油品及弱腐蚀性流体 |
| 泄漏率 |
符合GB/T13927-92标准 |
| 驱动方式 |
蜗轮传动、电动、气动、液动 |
主要零部件材料
| 零件名称 |
材料 |
| 阀体 |
WCB、QT450-10、HT200、HT250 |
| 蝶板 |
WCB、QT450-10、HT200、HT250 |
| 阀轴 |
2Cr13 |
| 密封圈 |
******耐油橡胶 |
| 填料 |
柔性石墨 |
执行标准
| 制造标准 |
GB/T 122387-89 |
| 法兰标准 |
GB9113-2000、GB17241.6-1998 |
| 结构长度标准 |
GB12221-89 |
| 检验标准 |
GB/T 13927-92 |
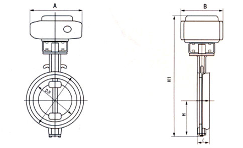
主要外形连接尺寸 单位:mm
| DN |
L |
H |
H1 |
A |
B |
ФD |
| 0.6MPa |
1.0MPa |
1.6MPa |
| 50 |
43 |
77 |
443 |
125 |
125 |
88 |
99 |
99 |
| 65 |
46 |
85 |
463 |
125 |
125 |
108 |
118 |
118 |
| 80 |
46 |
95 |
483 |
125 |
125 |
124 |
132 |
132 |
| 100 |
52 |
105 |
498 |
125 |
125 |
144 |
156 |
156 |
| 125 |
56 |
129 |
682 |
325 |
245 |
174 |
184 |
184 |
| 150 |
56 |
132 |
736 |
325 |
245 |
199 |
211 |
211 |
| 200 |
60 |
165 |
800 |
325 |
245 |
254 |
266 |
266 |
| 250 |
68 |
197 |
895 |
363 |
313 |
309 |
319 |
319 |
| 300 |
78 |
234 |
956 |
363 |
313 |
363 |
370 |
370 |
| 350 |
78 |
283 |
1029 |
363 |
313 |
413 |
429 |
429 |
| 400 |
102 |
325 |
1103 |
363 |
313 |
463 |
480 |
480 |
| 450 |
114 |
369 |
1186 |
465 |
469 |
518 |
530 |
548 |
| 500 |
127 |
404 |
1280 |
546 |
431 |
568 |
582 |
609 |
| 600 |
154 |
470 |
1321 |
546 |
556 |
667 |
682 |
720 |
| 700 |
165 |
503 |
1431 |
546 |
556 |
772 |
794 |
794 |
| 800 |
190 |
571 |
1542 |
546 |
556 |
878 |
901 |
901 |
| 900 |
203 |
621 |
1800 |
617 |
706 |
978 |
1001 |
1001 |
| 1000 |
216 |
702 |
2363 |
632 |
706 |
1078 |
1112 |
1112 |
| 1200 |
254 |
818 |
2583 |
632 |
706 |
1295 |
1328 |
1328 |
声明:本文中所有文字、数据、图片均只适用于参考。 |