
产品特点 1、采用双偏心结构,具有越关越紧的密封功能,密封性能可靠。 2、密封副材料选用不锈钢和******耐油橡胶配对,使用寿命长。 3、橡胶密封圈即可位于阀体上,也可以位于蝶板上,可适用不同特点的介质,供用户选择。 4、蝶板采用框架结构,强度高,过流面积大,流阻小。 5、整体烤漆、能有效地防止锈蚀且只要更换密封阀座密封材料,就可使用于不同介质。 6、具有双向密封功能,安装时不受介质流向的控制,也不受空间位置的影响,可在任何方向安装。 7、结构独特,操作灵活,省力,方便。
主要技术参数
| 公称通经DN(mm) |
50~2000 |
50~1600 |
| 公称药理PN(MPa) |
0.6 |
1.0 |
1.6 |
| 密封试验(MPa) |
0.66 |
1.1 |
1.76 |
| 强度试验(MPa) |
0.9 |
1.5 |
2.4 |
| 适用温度 |
******橡胶:-40℃~90℃氟橡胶:-20℃~200℃ |
| 适用介质 |
水、空气、天然气、油品及弱腐蚀性流体 |
| 泄漏率 |
符合GB/T13927-92标准 |
| 驱动方式 |
蜗轮传动、电动、气动、液动 |
主要零部件材料
| 零件名称 |
材料 |
| 阀体 |
WCB、QT450-10、HT200、HT250 |
| 蝶板 |
WCB、QT450-10、HT200、HT250 |
| 阀轴 |
2Cr13 |
| 密封圈 |
******耐油橡胶 |
| 填料 |
柔性石墨 |
执行标准
| 制造标准 |
GB/T122387-89 |
| 法兰标准 |
GB9113-2000、GB17241.6-1998 |
| 结构长度标准 |
GB12221-89 |
| 检验标准 |
GB/T13927-92 |
材料
| 材料品种 |
氯丁橡胶 |
******橡胶 |
乙丙橡胶 |
聚四氟乙烯 |
硅橡胶 |
氟橡胶 |
| 代号 |
×或 0rJ |
XA或orJA |
XB或orJB |
xC、JC或0rF |
XD或orJD |
× E或orJE |
| 耐最高温度 |
82℃ |
93℃ |
150℃ |
232℃ |
250℃ |
204℃ |
| 耐最低温度 |
-40℃ |
-40℃ |
-40℃ |
-268℃ |
-70℃ |
-23℃ |
| 适用工作温度 |
≤65℃ |
≤80℃ |
≤120℃ |
≤200℃ |
≤200℃ |
≤180℃ |
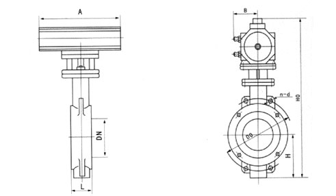
主要外形连接尺寸单位:mm
| DN |
L |
H |
HO |
A |
B |
0.6MPa |
1.0MPa |
1.6MPa |
| DO |
n-Фd |
DO |
n-Фd |
DO |
n-Фd |
| 50 |
43 |
63 |
438 |
125 |
125 |
110 |
4-14 |
125 |
4-18 |
125 |
4-18 |
| 65 |
46 |
70 |
453 |
125 |
125 |
130 |
4-14 |
145 |
4-18 |
145 |
4-18 |
| 80 |
46 |
83 |
478 |
125 |
125 |
150 |
4-18 |
160 |
8-18 |
160 |
8-18 |
| 100 |
52 |
105 |
519 |
125 |
125 |
170 |
4-18 |
180 |
8-18 |
180 |
8-18 |
| 125 |
56 |
115 |
713 |
325 |
245 |
200 |
8-18 |
210 |
8-18 |
210 |
8-18 |
| 150 |
56 |
137 |
749 |
325 |
245 |
225 |
8-18 |
240 |
8-22 |
240 |
8-22 |
| 200 |
60 |
164 |
843 |
325 |
245 |
280 |
8-18 |
295 |
8-22 |
295 |
8-22 |
| 250 |
68 |
206 |
947 |
363 |
313 |
335 |
12-18 |
350 |
12-22 |
355 |
12-26 |
| 300 |
78 |
230 |
1013 |
363 |
313 |
395 |
12-22 |
400 |
12-22 |
410 |
12-26 |
| 350 |
78 |
248 |
1046 |
363 |
313 |
445 |
12-22 |
460 |
16-22 |
470 |
16-26 |
| 400 |
102 |
289 |
1135 |
363 |
313 |
495 |
16-22 |
515 |
16-26 |
525 |
16-30 |
| 450 |
114 |
320 |
1328 |
465 |
439 |
550 |
16-22 |
565 |
20-26 |
585 |
20-30 |
| 500 |
127 |
343 |
1226 |
546 |
481 |
600 |
20-22 |
620 |
20-26 |
650 |
20-33 |
| 600 |
154 |
413 |
1394 |
546 |
556 |
705 |
20-26 |
725 |
20-30 |
770 |
20-36 |
| 700 |
165 |
478 |
1534 |
546 |
556 |
810 |
24-26 |
840 |
24-30 |
840 |
24-36 |
| 800 |
190 |
525 |
1159 |
546 |
556 |
920 |
24-30 |
950 |
24-33 |
950 |
24-39 |
| 900 |
203 |
585 |
1748 |
617 |
706 |
1020 |
24-30 |
1050 |
28-33 |
1050 |
38-39 |
| 1000 |
216 |
640 |
1805 |
632 |
706 |
1120 |
28-30 |
1160 |
28-36 |
1170 |
28-42 |
| 1200 |
254 |
755 |
2035 |
632 |
706 |
1340 |
32-33 |
1380 |
32-39 |
1390 |
32-48 |
声明:本文中所有文字、数据、图片均只适用于参考。 |