
用途及特点
该产品由橡胶密封蝶阀和碳钢或不锈钢阀板、阀杆构成。适用于温度≤80~120℃如食品、医药、化工、石油、电力、轻纺、造纸等给排水、气体管道上作调节流量和截流介质的作用。
其主要特点为
1、设计新颖、合理、结构独特,重量轻,启闭迅速。 2、操力矩小,操作方便,省力灵巧。 3、可以任何位置安装,维修方便。 4、密封件可以更换,密封性能可靠达到双向密封零泄漏。 5、密封材料耐老化、耐弱腐蚀,使用寿命长等特点。
采用标准
设计标准:GB/T2238-1989 法兰连接尺寸:GB/T9113.1-2000;GB/T9115.1-2000;JB78 结构长度:GB/T12221-1989 压力试验:GB/T13927-1992;JB/T9092-1999
主要技术参数
| 公称通径 |
DN(mm) |
50~2000 |
| 公称压力 |
PN(MPa) |
0.6 |
1.0 |
1.6 |
| 试验压力 |
强度试验 |
0.9 |
1.5 |
2.4 |
| 密封试验 |
0.66 |
1.1 |
1.76 |
| 气密封试验 |
0.6 |
0.6 |
0.6 |
| 适用介质 |
空气、水、污水、蒸气、煤气、油品等。 |
| 驱动形式 |
手动、蜗杆蜗轮传动、气传动、电传动。 |
| 零件名称 |
材料 |
| 阀体 |
球墨铸铁、铸钢、合金钢、不锈钢 |
| 蝶板 |
铸钢、不锈钢及特殊材料 |
| 密封圈 |
各种橡胶、聚四氟 |
| 阀杆 |
2Cr13、不锈钢 |
| 填料 |
O型圈、柔性石墨O |
材料选用和适用温度
| 材料品种 |
氯丁橡胶 |
丁晴橡胶 |
乙丙橡胶 |
聚四氟乙烯 |
硅橡胶 |
氟橡胶 |
天然橡胶 |
尼龙 |
| 英语简称 |
CR |
NBR |
EPDM |
PTFE |
SI |
VITON |
NR |
PA |
| 型号代号 |
X或J |
XA或JA |
XB或JB |
F或XC、JC |
XD或JD |
XE或JE |
X1 |
N |
| 耐最高温度 |
82℃ |
93℃ |
150℃ |
232℃ |
250℃ |
204℃ |
85℃ |
93℃ |
| 耐最低温度 |
-40℃ |
-40℃ |
-40℃ |
-268℃ |
-70℃ |
-23℃ |
-20℃ |
-73℃ |
| 适用工作温度 |
0~+80℃ |
-20~+82℃
|
-40~+125℃ |
-30~+150℃ |
-70~+150℃ |
-23~+150℃ |
-20~+85℃ |
-30~+93℃ |
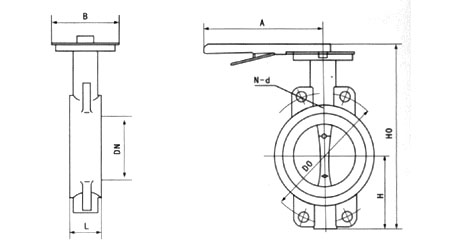
连接尺寸
| 公称通径 |
结构长度(标准值) |
外形尺寸(参考值) |
连接尺寸(标准值) |
| 0.6MPa |
1.0MPa |
1.6MPa |
| 毫米 |
英寸 |
L |
H |
H0 |
A |
B |
D0 |
n-d |
D0 |
n-d |
D0 |
n-d |
| 50 |
2 |
43 |
63 |
235 |
270 |
65 |
110 |
4-14 |
125 |
4-18 |
125 |
4-18 |
| 65 |
21/2 |
46 |
70 |
250 |
270 |
65 |
130 |
4-14 |
145 |
4-18 |
145 |
4-18 |
| 80 |
3 |
46 |
83 |
275 |
270 |
65 |
150 |
4-18 |
160 |
8-18 |
160 |
8-18 |
| 100 |
4 |
52 |
105 |
316 |
270 |
65 |
170 |
4-18 |
180 |
8-18 |
180 |
8-18 |
| 125 |
5 |
56 |
115 |
340 |
310 |
65 |
200 |
8-18 |
210 |
8-18 |
210 |
8-18 |
| 150 |
6 |
56 |
137 |
376 |
310 |
65 |
225 |
8-18 |
240 |
8-22 |
240 |
8-22 | |