
产品特点 1、本阀采用三偏心密封结构,阀座与蝶板几乎无磨损,具有越观越紧的密封功能。 2、密封圈选用不锈钢制作,具有金属硬密封和弹性密封的双重优点,无论在低温和高温的情况下,均具有优良的密封性能,具有耐腐蚀,使用寿命长等特点。 3、碟板密封面采用堆焊钴基硬质合金,密封面耐磨损,使用寿命长. 4、大规格蝶板采用绗架结构,强度高,过流面积大,流阻小。 5、本阀具有双向密封功能,安装时不受介质流向的限制,也不受空间位置的影响,可在任何方向安装。 6、驱动装置可以多工位(旋转90°或180°)安装,便于用户使用。
主要技术参数
| 公称通经DN(mm) |
50~2000 |
| 公称药理PN(MPa) |
0.6 |
1.0 |
1.6 |
2.5 |
| 密封试验(MPa) |
0.66 |
1.1 |
1.76 |
2.75 |
| 强度试验(MPa) |
0.9 |
1.5 |
2.4 |
3.75 |
| 适用温度 |
碳钢:-29℃~425℃ 不锈钢:-40℃~650℃ |
| 适用介质 |
水、空气、天然气、油品及弱腐蚀性流体 |
| 泄漏率 |
符合GB/T13927-92标准 |
| 驱动方式 |
蜗轮传动、电动、气动、液动 |
主要零部件材料
| 零件名称 |
材料 |
| 阀体 |
WCB、合金钢、不锈钢、QT450-10 |
| 蝶板 |
WCB、合金钢、不锈钢、QT450-10 |
| 阀轴 |
2Cr13不锈钢、合金钢 |
| 密封圈 |
不锈钢圈 |
| 填料 |
柔性石墨 |
采用标准
| 制造标准 |
JB/T 8527-97 |
| 法兰标准 |
GB9113-2000 |
| 结构长度标准 |
GB12221-89 |
| 检验标准 |
GB/T 13927-92 |
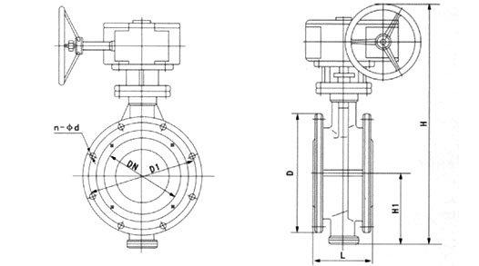
主要外形连接尺寸单位:mm
|
称通经(DN) |
主要尺寸 |
法兰尺寸和螺栓规格 |
| 1.0MPa |
1.6MPa |
2.5MPa |
| L |
H1 |
H |
D |
D1 |
n-Фd |
D |
D1 |
n-Фd |
D |
D1 |
n-Фd |
| 50 |
108 |
350 |
112 |
165 |
125 |
4-18 |
165 |
125 |
4-18 |
165 |
125 |
4-18 |
| 65 |
112 |
370 |
115 |
185 |
145 |
4-18 |
185 |
145 |
4-18 |
185 |
145 |
8-18 |
| 80 |
114 |
380 |
120 |
200 |
160 |
4-18 |
200 |
160 |
8-18 |
200 |
160 |
8-18 |
| 100 |
127 |
420 |
138 |
220 |
180 |
8-18 |
220 |
180 |
8-18 |
235 |
190 |
8-22 |
| 125 |
140 |
460 |
164 |
250 |
210 |
8-18 |
250 |
210 |
8-22 |
270 |
220 |
8-26 |
| 150 |
140 |
555 |
175 |
285 |
240 |
8-22 |
285 |
240 |
8-22 |
300 |
250 |
8-26 |
| 200 |
152 |
760 |
200 |
340 |
295 |
8-22 |
340 |
295 |
12-22 |
360 |
310 |
12-26 |
| 250 |
165 |
830 |
243 |
395 |
350 |
12-22 |
405 |
355 |
12-26 |
425 |
370 |
12-30 |
| 300 |
178 |
895 |
250 |
445 |
400 |
12-22 |
460 |
410 |
12-26 |
485 |
430 |
16-30 |
| 350 |
190 |
950 |
280 |
505 |
460 |
16-22 |
520 |
470 |
16-26 |
555 |
490 |
16-33 |
| 400 |
216 |
1190 |
305 |
565 |
515 |
16-26 |
580 |
525 |
16-30 |
620 |
550 |
16-36 |
| 450 |
222 |
1255 |
350 |
615 |
565 |
20-26 |
640 |
585 |
20-30 |
670 |
600 |
20-36 |
| 500 |
229 |
1305 |
380 |
670 |
620 |
20-26 |
715 |
650 |
20-33 |
730 |
660 |
20-36 |
| 600 |
267 |
1340 |
445 |
780 |
725 |
20-30 |
840 |
770 |
20-36 |
845 |
770 |
20-39 |
| 700 |
292 |
1520 |
480 |
895 |
840 |
24-30 |
910 |
840 |
24-36 |
960 |
875 |
24-42 |
| 800 |
318 |
1710 |
530 |
1015 |
950 |
24-33 |
1025 |
950 |
24-39 |
1085 |
990 |
24-48 |
| 900 |
330 |
1810 |
580 |
1115 |
1050 |
28-33 |
1125 |
1050 |
28-39 |
1185 |
1090 |
28-48 |
| 1000 |
410 |
1960 |
650 |
1230 |
1160 |
28-36 |
1255 |
1170 |
28-42 |
1320 |
1210 |
28-56 |
| 1200 |
470 |
2250 |
760 |
1455 |
1380 |
32-39 |
1485 |
1390 |
32-48 |
1530 |
1420 |
32-56 |
| 1400 |
530 |
2435 |
850 |
1675 |
1590 |
36-42 |
1685 |
1590 |
36-48 |
1755 |
1640 |
36-62 |
| 1600 |
600 |
2780 |
1030 |
1915 |
1820 |
40-48 |
1930 |
1820 |
40-56 |
1975 |
1860 |
40-62 |
| 1800 |
670 |
3020 |
1230 |
2115 |
2020 |
44-48 |
2130 |
2020 |
44-56 |
2195 |
2070 |
44-70 |
| 2000 |
760 |
3270 |
1350 |
2325 |
2230 |
48-48 |
2345 |
2230 |
48-62 |
2425 |
2300 |
48-70 |
声明:本文中所有文字、数据、图片均只适用于参考。 |