
产品特点 1、本阀采用三偏心密封结构,阀座与蝶板几乎无磨损,具有越观越紧的密封功能。 2、密封圈选用不锈钢制作,具有金属硬密封和弹性密封的双重优点,无论在低温和高温的情况下,均具有优良的密封性能,具有耐腐蚀,使用寿命长等特点。 3、碟板密封面采用堆焊钴基硬质合金,密封面耐磨损,使用寿命长. 4、大规格蝶板采用绗架结构,强度高,过流面积大,流阻小。 5、本阀具有双向密封功能,安装时不受介质流向的限制,也不受空间位置的影响,可在任何方向安装。 6、驱动装置可以多工位(旋转90°或180°)安装,便于用户使用。
主要技术参数
| 公称通经DN(mm) |
50~2000 |
| 公称药理PN(MPa) |
0.6 |
1.0 |
1.6 |
2.5 |
| 密封试验(MPa) |
0.66 |
1.1 |
1.76 |
2.75 |
| 强度试验(MPa) |
0.9 |
1.5 |
2.4 |
3.75 |
| 适用温度 |
碳钢:-29℃~425℃ 不锈钢:-40℃~650℃ |
| 适用介质 |
水、空气、天然气、油品及弱腐蚀性流体 |
| 泄漏率 |
符合GB/T13927-92标准 |
| 驱动方式 |
蜗轮传动、电动、气动、液动 |
主要零部件材料
| 零件名称 |
材料 |
| 阀体 |
WCB、合金钢、不锈钢、QT4500 |
| 蝶板 |
WCB、合金钢、不锈钢、QT4500 |
| 阀轴 |
2Cr13不锈钢、合金钢 |
| 密封圈 |
不锈钢圈 |
| 填料 |
柔性石墨 |
执行标准
| 制造标准 |
JB/T 8527-97 |
| 法兰标准 |
GB9113-2000 |
| 结构长度标准 |
GB12221-89 |
| 检验标准 |
GB/T 13927-92 |
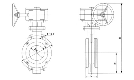
主要外形连接尺寸单位:mm
|
公称通经(DN) |
主要尺寸 |
法兰尺寸和螺栓规格 |
| 1.0MPa |
1.6MPa |
2.5MPa |
| L |
H |
H1 |
D1 |
4-Ф-M |
D1 |
4-Ф-M |
D1 |
4-Ф-M |
| 50 |
43 |
350 |
112 |
125 |
Ф18 |
125 |
Ф18 |
125 |
Ф18 |
| 65 |
46 |
370 |
115 |
145 |
Ф18 |
145 |
Ф18 |
145 |
Ф18 |
| 80 |
49 |
380 |
120 |
160 |
Ф18 |
160 |
Ф18 |
160 |
Ф18 |
| 100 |
56 |
420 |
138 |
180 |
Ф18 |
180 |
Ф18 |
190 |
Ф23 |
| 125 |
64 |
460 |
164 |
210 |
Ф18 |
210 |
Ф18 |
220 |
Ф27 |
| 150 |
70 |
555 |
175 |
240 |
Ф23 |
240 |
Ф23 |
250 |
Ф27 |
| 200 |
71 |
605 |
208 |
295 |
M20 |
295 |
M20 |
310 |
M24 |
| 250 |
76 |
680 |
243 |
350 |
M20 |
355 |
M24 |
370 |
M27 |
| 300 |
83 |
800 |
283 |
400 |
M20 |
410 |
M24 |
430 |
M27 |
| 350 |
92 |
835 |
310 |
460 |
M20 |
470 |
M24 |
490 |
M30 |
| 400 |
102 |
915 |
340 |
515 |
M24 |
525 |
M27 |
550 |
M33 |
| 450 |
114 |
960 |
380 |
565 |
M24 |
585 |
M27 |
600 |
M33 |
| 500 |
127 |
1020 |
410 |
620 |
M24 |
650 |
M30 |
660 |
M33 |
| 600 |
154 |
1225 |
470 |
725 |
M27 |
770 |
M33 |
770 |
M36 |
| 700 |
165 |
1355 |
550 |
840 |
M27 |
840 |
M33 |
875 |
M39 |
| 800 |
190 |
1470 |
640 |
950 |
M30 |
950 |
M36 |
990 |
M45 |
| 900 |
203 |
1545 |
710 |
1050 |
M30 |
1050 |
M36 |
1090 |
M45 |
| 1000 |
216 |
1795 |
770 |
1160 |
M33 |
1170 |
M39 |
1210 |
M52 |
| 1200 |
254 |
1965 |
890 |
1380 |
M36 |
1390 |
M45 |
1420 |
M52 |
声明:本文中所有文字、数据、图片均只适用于参考。 |