产品介绍
产品名称:法兰式通风蝶阀 产品型号:D3(9)41W 标准规范:1.法兰连接尺寸:GB/T9113.1-2000 JB/T82.1-1994 2.结构长度:GB/T12221-1989 3.压力试验:GB/T13927-1992 ,JB/T8692-1998 法兰通风蝶阀主要参数:密封试验≤1.5% (泄漏量) 适用介质:煤气,烟道气体,含尘气体等。 产品适用温度:-40-650℃
产品用途:
法兰通风蝶阀采用阀体同质材料加工成密封圈,驱动方式有:蜗轮手动、气动、电动可供选择。法兰通风蝶阀在冶金、化工、建材、电站、玻璃等行业中的通风、环保工程的含尘冷风或热风气体管道中,作为气体介质调节流量或切断装置。
产品特点:
1、采用中线式碟板与短结构钢板焊接的新型结构形式设计制造的,结构紧凑、重量轻、便于安装、流阻小、流通量大,避免高温膨胀的影响,操作轻便。 2、内无连杆、螺栓等、工作可靠、使用寿命长。可以多工位安装,不受介质流向影响。
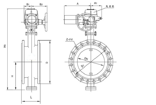
产品结构图:

主要技术参数:

零部件材料:

|