产品介绍
产品名称:双向密封高性能蝶阀
产品型号:DHT375H
双向密封高性能蝶阀。
蝶阀的国家标准号:GB/T 12238-2008
阀门技术性能简介如下:
1、双向浮动式阀座。通过阀门在锁定压力下的弹性变形和相关零部件配合间隙的变化进科学计算,并经过计算机三围加压动态模拟,准确给出阀座的双向浮动数据,保证了阀可靠的双向密封。
2、利用管道中工作介质能量动态密封。无论工作性质从正向或反响对关闭的阀座施加压力,阀座均能自动与蝶板密封紧密贴合,并随蝶板在压力下的变形量而浮动,保证了阀门的动态密封。密封比压由管道中工作介质的压力介质和动态密封这两大特点是本阀门与各蝶阀的根本区别。
3、高性能复合阀座。浮动式阀座应用材料领域最先进的复合材料成果,由号称塑料网的聚四氟乙烯和高回弹性能的硅橡胶复合而成。阀座适用于低温-100℃至200℃的工作温度,配合不同的阀体材质能适用于水、气体、油品等常用介质和食品、医药等工业的纯净介质,以及化工领域的强腐蚀性介质,是名副其实的高性能。
4、合金堆焊密封面浮动阀座。金属浮动阀座和蝶板均堆焊合金钢密封面,组成金属硬密封副,耐磨损、耐冲蚀、用于软密封不能胜任的特殊工况。
5、恰到好处的密封比压。阀门的密封比压是由介质本身的压力建立的,密封比压随介质压力而变,换句话说就是介质压力越高,阀门的密封比压越高,介质压力降低,阀门的密封比压随之降低。所以阀门无须调整就能自动适应密封试验与工作时不同的压力,避免对阀座密封圈的过度压缩。
6、阀门启闭力矩小,寿命长。高性能符合材料阀座的外层材料是聚四氟乙烯,这是一种良好的自润滑材料,阀座内部是高回弹性的硅橡胶,形成阀座外表面润滑,又具有高回弹性的独特性能,配合适度的密封比压,从而减小了阀门的启闭力矩,减轻了阀座密封圈的磨损。在这阀门设计为双偏心结构,阀门开启蝶板迅速与阀座密封圈脱离,进一步减小了阀座密封圈的磨损,延长了阀门的使用寿命。
7、每台双向密封高性能蝶阀出厂前均进行强度试验。双向高压密封试验和气密封试验,确保阀门双向零泄漏。本阀门有法兰式、对夹式、凸耳对夹式等各种连接方式;有涡轮手动、气动、电动等各种操作方式可供用户选择。订货时应根据不同的介质工况选择相应的阀体材质。
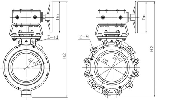
产品结构图:
主要技术参数:
|