021-66771111 021-66770555 021-66775555
产品介绍
产品名称:气动对夹式衬胶中心蝶阀产品型号:D671X/J
标准规范:
1.法兰连接尺寸:GB/T9113.1-2000 GB/T17241.6-19982.结构长度:GB/T12221-19893.压力试验:GB/T13927-1992
技术参数:
1.强度试验:1.52.密封试验:1.13.适用介质:水、蒸汽、油品、燃气、污水、海水、腐蚀介质等。4.适用温度:-40℃-160℃
产品用途:
本蝶阀适用于食品、饮料、医药、化工等纯净管路及工业环保、水处理、高层建筑、给排水管路作启闭或调节介质流量之用。
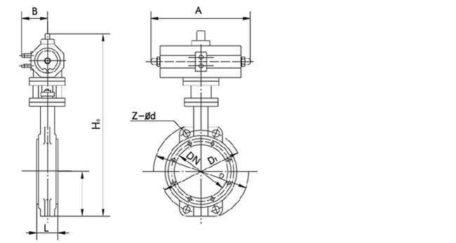
产品结构图:
主要技术参数:
零部件材料:
版权所有@上海良逸阀门有限公司 沪ICP备11004218号
地址:上海市普陀区交通路2515号 免费热线电话:400-876-7500 400-876-8500 400-876-9500