
产品概述 产品型号:Q41/11F 产品名称:法兰连接三通球阀 产品特点:法兰连接三通球阀,连接三通球阀,法兰三通球阀 一、两阀座密封三通球阀结构紧凑、外型美观、密封性能好。也能实现管道中介流向的切换。也能使阻互垂直的两个通道连通或关闭。 二、四阀座密封三通球阀造型美观,结构紧凑合理,它不仅可实现介质流向的切换,也可使三个通道相互连通,同时也可关闭任一通道,使另外一通道连通,灵活控制管路中介质的合流或分流。
主要零件材料:
| 零件名称 |
材质 |
| GB |
ASTM |
| 阀体、阀盖 |
WCB |
A216-WCB |
| 密封圈 |
PTFE、对位聚苯 |
PTFE、对位聚苯 |
| 球体 |
1Cr18Ni9Ti |
SS304 |
| 阀座、阀杆 |
2Cr13 |
A246-416 |
| 双头螺栓 |
35CrMoA |
A193-B7 |

备注:三通球阀一般采用两阀座结构,如流向图A所示两种工况。选用两面阀座L型结构(即Q44型)。流向B中①和④两种工况亦可选用两阀座T型结构(即Q45型)。流向图B②和③两种工况必须选用四阀认T型结构(即Q45型)。其余工况也可以先用四阀座结构,但在订货合同中注明阀座结构。如阀门有其它要求请参阅样本《阀门的型号编制方法》填寰相应的要求代号。
主要性能范围:
| 公称压力 |
试验压力(Mpa) |
| 壳体 |
高压液密封 |
体压气密封 |
| 1.6 |
2.4 |
1.76 |
0.6 |
| 2.5 |
3.75 |
2.75 |
| 4.0 |
6.0 |
4.4 |
| CLASS150 |
3.0 |
2.2 |
| 适用工况 |
适用介质 |
水、油品、气等非腐蚀和酸碱腐蚀介质 |
| 适用温度 |
-28~350℃ |
| 应用规范 |
连接法兰 |
JB79-59、GB9113、HG20592-97、ANSI B16.5 |
| 检验试验 |
GB/T9092-99、API598 | 其余制造规范均按本厂标准;
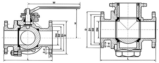
法兰连接三通球阀国标连接尺寸和外形 PN1.6MPa :
| 型号 |
公称通径DN(mm) |
尺寸(mm) |
| L |
L2 |
D |
D1 |
D2 |
b |
f |
Z-d |
H |
W |
| Q44F-16C (P) (R) |
15 |
150 |
72 |
95 |
65 |
45 |
14 |
2 |
4-14 |
95 |
130 |
| 20 |
160 |
80 |
105 |
75 |
55 |
14 |
2 |
4-14 |
110 |
130 |
| 25 |
180 |
90 |
115 |
85 |
65 |
14 |
2 |
4-18 |
120 |
140 |
| 32 |
200 |
100 |
135 |
100 |
78 |
16 |
2 |
4-18 |
144 |
180 |
| 40 |
220 |
110 |
145 |
110 |
85 |
16 |
3 |
4-18 |
152 |
220 |
| 50 |
240 |
120 |
160 |
125 |
100 |
16 |
3 |
4-23 |
182 |
220 |
| 65 |
260 |
130 |
180 |
145 |
120 |
16 |
3 |
4-18 |
193 |
240 |
| 80 |
280 |
140 |
195 |
160 |
135 |
20 |
3 |
8-18 |
217 |
270 |
| 100 |
320 |
160 |
215 |
180 |
155 |
20 |
3 |
8-18 |
245 |
350 |
| 125 |
380 |
190 |
245 |
210 |
185 |
22 |
3 |
8-18 |
282 |
500 |
| 150 |
440 |
220 |
280 |
240 |
210 |
24 |
3 |
8-23 |
319 |
600 |
| 200 |
550 |
260 |
335 |
295 |
265 |
26 |
3 |
12-23 |
380 |
1000 |
| 250 |
670 |
310 |
405 |
355 |
320 |
30 |
3 |
12-25 |
460 |
1400 |
| 300 |
720 |
370 |
460 |
410 |
375 |
30 |
3 |
12-25 |
520 |
1800 |
法兰连接三通球阀美标连接尺寸和外形 150Lb :
| 公称通径DN |
尺寸(mm) |
| (in) |
(mm) |
L |
D |
D1 |
D2 |
b |
f |
Z-Φd |
H |
L0 |
| 1/2 |
15 |
140 |
89 |
60.5 |
35 |
10 |
1.6 |
4-Φ15 |
55 |
130 |
| 3/4 |
20 |
165 |
98 |
70 |
43 |
11 |
1.6 |
4-Φ15 |
55 |
130 |
| 1 |
25 |
165 |
108 |
79.5 |
51 |
12 |
1.6 |
4-Φ15 |
70 |
140 |
| 11/4 |
32 |
220 |
117 |
79 |
64 |
13 |
1.6 |
4-Φ15 |
75 |
180 |
| 11/2 |
40 |
250 |
127 |
98.5 |
73 |
15 |
1.6 |
4-Φ15 |
90 |
220 |
| 21/2 |
50 |
260 |
152 |
120.5 |
92 |
16 |
1.6 |
4-Φ19 |
104 |
260 |
| 2 |
65 |
320 |
178 |
139.5 |
105 |
18 |
1.6 |
4-Φ19 |
153 |
350 |
| 3 |
80 |
320 |
190 |
152.5 |
127 |
19 |
1.6 |
4-Φ19 |
187 |
400 |
| 4 |
100 |
370 |
229 |
190.5 |
157 |
24 |
1.6 |
8-Φ19 |
206 |
500 |
| 5 |
125 |
510 |
254 |
216 |
186 |
24 |
1.6 |
8-Φ22 |
252 |
600 |
| 6 |
150 |
510 |
279 |
241.5 |
216 |
26 |
1.6 |
8-Φ22 |
244 |
1000 |
| 8 |
200 |
580 |
373 |
298.5 |
270 |
29 |
1.6 |
8-Φ22 |
283 |
1300 |
| 10 |
250 |
670 |
406 |
362 |
324 |
31 |
1.6 |
12-Φ25 |
345 |
1600 |
| 12 |
300 |
720 |
483 |
432 |
381 |
32 |
1.6 |
12-Φ25 |
420 |
2100 | |