
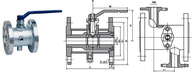
产品概述
由于阀门口径与管道口径一致,介质呈直线流动,阻力小,最适合容易凝固、高粘度的液体介质。整体式夹套设计,更能均匀地保温、保冷。夹套、阀体外侧与夹套接管焊接,允许蒸汽或冷水的最高压力为1MPa。
技术参数及执行标准:
| |
法兰连接 |
对夹连接 |
| 公称通径(mm) |
DN15~200、NPS3/4~8 |
DN15~150、NPS1/2~6 |
| 公称压力(Mpa) |
PN1.6~2.5、Class150~300、10K、20K |
PN1.0~2.5、Class150、10K |
| 阀门材料及适用工况 |
零件名称 |
材 料 |
| 阀体 |
WCB |
CF8(304) |
CF8M(316) |
| 阀盖 |
25 |
1Cr18Ni9Ti |
0Cr18Ni12Mo2Ti |
| 球体 |
2Cr13 |
1Cr18Ni9Ti |
0Cr18Ni12Mo2Ti |
| 阀杆 |
2Cr13 |
1Cr18Ni9Ti |
0Cr18Ni12Mo2Ti |
| 夹套 |
25 |
25 |
25 |
| 填料 |
聚四氟乙烯 |
| 适用介质 |
水、蒸汽、油品 |
硝酸等腐蚀性介质 |
醋酸等腐蚀性介质 |
| 适用温度 |
-29~180℃(聚四氟乙烯) |
| 设计制造 |
GB/T 12237-1989、API 608、API 6D、JPI 7S-48、BS5351 |
| 结构长度 |
GB/T 12221-1989、ANSI B16.10;JIS B2002 |
| 连接法兰 |
JB/T74~90(JB74~90)、GB9112~9131、HGJ44-76、SH3406;ANSI B16.5;JIS B2212~2214 |
| 压力试验 |
JB/T 9092-1999、API 598 |
| 传动方式 |
手动、蜗轮蜗杆传动、气动、电动。 | |