产品介绍
产品名称:无导流孔闸阀
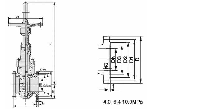
产品型号:Z43F/H
标准规范:
1.设计制造: JB/T5298-91 AP16D
2.结构长度: GBlT12221-89 ANSI B16.10-2000
3.连接尺寸:螺纹, ANSI 816.34-98,法兰: GB/T9113-2000 ANSI B16.5-96 也可按用户要求采用JBlT74-94或HG20592-97标准生产。焯接: GBlT12224-89 ANSI 816.25-92
4.适用温度: -290C ~121℃
5.可按用户要求加装齿轮传动、气动以及电动等装置。
应用范围:
平板闸阀适用于天然气,石油,化工,环保,城市管道,燃气管线等输送管线,放空系统和汽储存装置上,用作启闭设备。
Z543型带导流孔单闸板式平板闸阀适用于天然气开采和净化的长输管线。
结构特点:
1、阀座采用O形密封圈密封和施加预紧力的浮动阀座结构,使平板闸阀进出口双向密封;并且该结构的启闭力矩仅为普通阀门的1/2,能达到轻松开、关阀门
2、在全开时,通道平滑为直线,流阻系数极小,无压力损失,可通毛球清扫管线
3、采用带自密封能力的填料结构,无需经常调节,开、关极为轻便,且密封性可靠,填料函处设有辅助密封油脂注入结构,密封性能可靠,真正达到零泄漏;解决了通用阀门填料处容易外漏的弊病
4、平板闸阀关闭时能自动卸掉内腔高压,保证使用安全
5、全封闭结构,防护性能好,可适应全天候要求
产品结构图:
|